MTZ-35测试:
MTZ-35测试可以通过在DC2或DC3 模拟电解池上运行交流阻抗实验进行测试。sense+及source+接头需要连接至DC2的红色插座,而sense-及source-接头连接至DC2的白色插座。具体连接方式请参考下图:
连接完毕后,打开MT-LAB软件按以下图示设置实验参数:

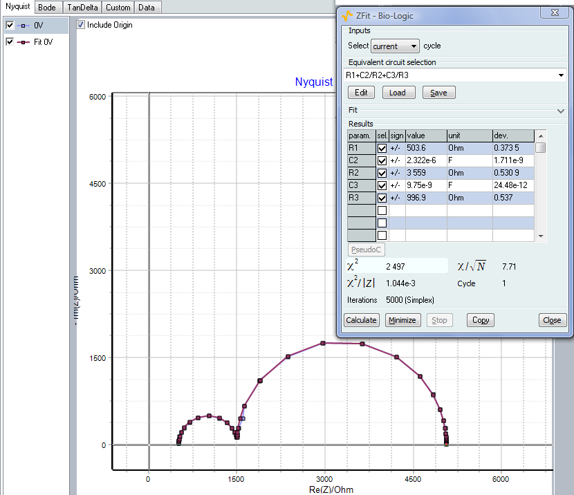
如仪器功能正常将会得到双圆弧的Nyquist图结果:

可以将DC2各元件的实际数值与Zfit工具拟合后的结果相对比(在DC2上标识有各元件的种类及数值,R代表电阻,C代表电容)。

